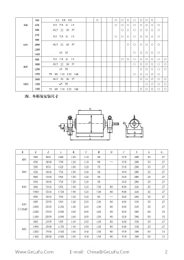
Page 3 - WD外装电动滚筒样本|WD外装电动滚筒手册|WD电动滚筒安装尺寸
P. 3
500 2.2 3.0 4.0 ○ ○ ○ ○ ○ ○ ○ ○
φ 500 650 5.5 7.5 11 15 ○ ○ ○ ○ ○ ○ ○ ○
800 18.5 22 30 37 ○ ○ ○ ○ ○ ○ ○
650
5.5 7.5 11 15 ○ ○ ○ ○ ○ ○ ○ ○
800
φ 630 1000 18.5 22 30 37 ○ ○ ○ ○ ○ ○
1200
45 55 ○ ○ ○ ○ ○
1400
800 5.5 7.5 11 15 ○ ○ ○ ○ ○ ○ ○ ○
1000 18.5 22 30 37 ○ ○ ○ ○ ○ ○
φ 800
1200 45 55 ○ ○ ○ ○ ○
1400 75 90 110 132 160 ○ ○ ○ ○ ○
1000 18.5 22 30 37 ○ ○ ○ ○ ○
φ 1000 1200 45 55 ○ ○ ○ ○
1400 75 90 110 132 160 ○ ○ ○ ○ ○
D B A L H C M N P O h ds
500 850 600 120 110 90 — 340 280 35 φ 27
φ 400
650 1000 750 120 110 90 — 340 280 35 φ 27
500 850 620 100 120 70 — 340 280 35 φ 27
φ 500 650 1000 750 120 120 90 — 340 280 35 φ 27
800 1300 950 120 120 90 — 340 280 35 φ 27
650 1000 750 120 120 90 — 340 280 35 φ 27
φ 630 800 1300 950 140 120 130 80 400 330 35 φ 27
1000 1500 1150 140 120 130 80 400 330 35 φ 27
650 1000 750 120 120 90 — 340 280 35 φ 27
800 1300 950 140 140 130 80 400 330 35 φ 27
φ 630
1000 1500 1150 140 140 130 80 400 330 35 φ 27
(>15kW)
1200 1750 1400 160 160 150 90 440 360 50 φ 34
1400 2000 1600 160 160 150 90 440 360 50 φ 34
800 1300 950 140 140 130 80 400 330 35 φ 27
1000 1500 1150 140 140 130 80 400 330 35 φ 27
φ 800
1200 1750 1400 160 160 150 90 440 360 50 φ 34
1400 2000 1600 160 160 150 90 440 360 50 φ 34
Www.GeLuFu.Com E-mail:China@GeLuFu.Com 2

